Rocker Switches - 12V Indicators

AMAIrelandSKU: 59058

If you are an existing customer please login

Login

Description

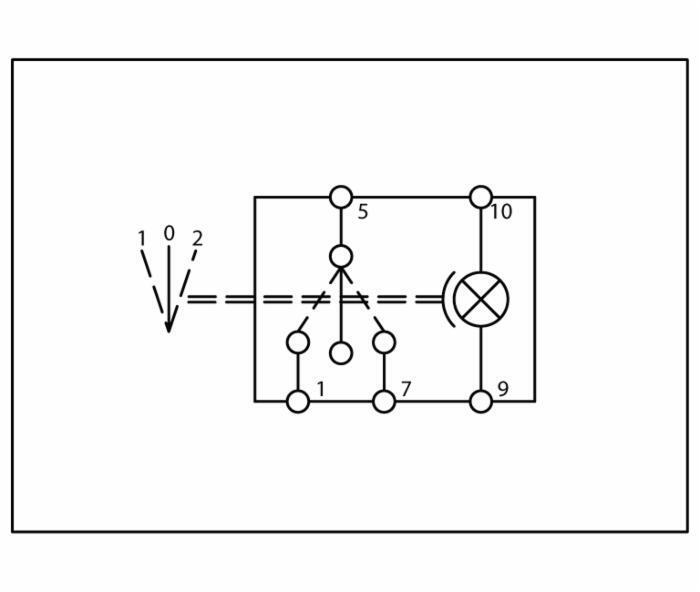
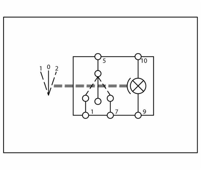
SWITCH ON-OFF-ON

12V DIRECTION INDICATORS

You may also like

Recently viewed