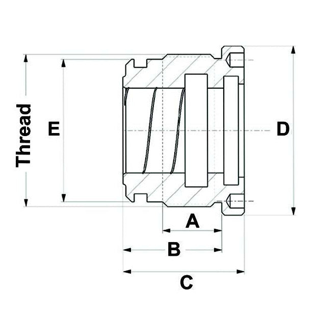
Hydraulic Cylinder Replacement Head M69x1.5 - Rod 40mm

AMA IrelandSKU: 0GC6540

If you are an existing customer please login

Login

Description

Bore (mm): 65

Rod (mm): 40

Thread: M69x1.5

A (mm): 30

B (mm): 50

C (mm): 60

D (mm): 75

E (mm): 65.5

Seal Kit: 0AS6540GC

You may also like

Recently viewed