Hydraulic Cylinder Replacement Head M68x1.5 - Rod 35mm

AMA IrelandSKU: 0GC6335

If you are an existing customer please login

Login

Description

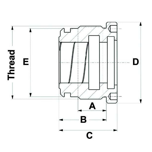
Bore (mm): 63

Rod (mm): 35

Thread: M68x1.5

A (mm): 26

B (mm): 40

C (mm): 50

D (mm): 73

E (mm): 63.5

Seal Kit: 0AS6335GC

You may also like

Recently viewed