Hydraulic Cylinder Replacement Head M64x1.5 - Rod 30mm

AMA IrelandSKU: 0GC6030

If you are an existing customer please login

Login

Description

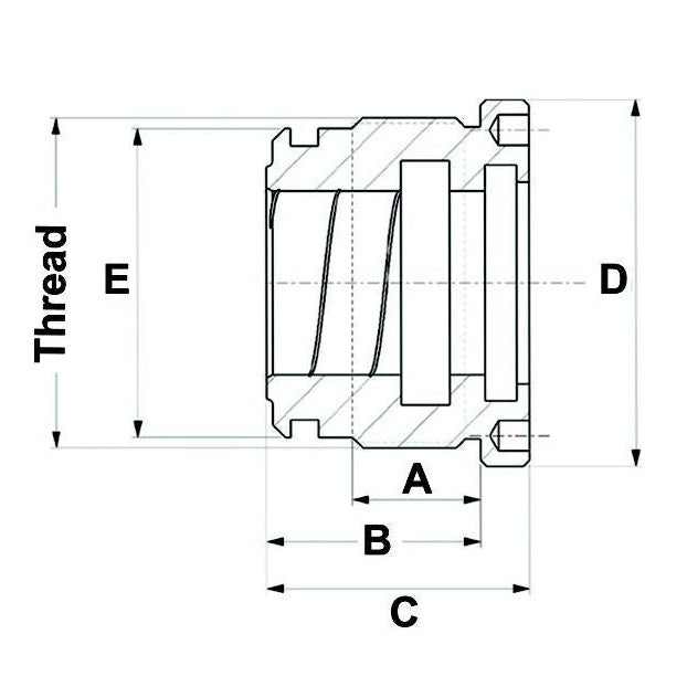
Bore (mm): 60

Rod (mm): 30

Thread: M64x1.5

A (mm): 26

B (mm): 40

C (mm): 50

D (mm): 70

E (mm): 60.5

Seal Kit: 0AS6030GC

You may also like

Recently viewed