Hydraulic Cylinder Replacement Head M59x1.5 - Rod 35mm

AMA IrelandSKU: 0GC5535

If you are an existing customer please login

Login

Description

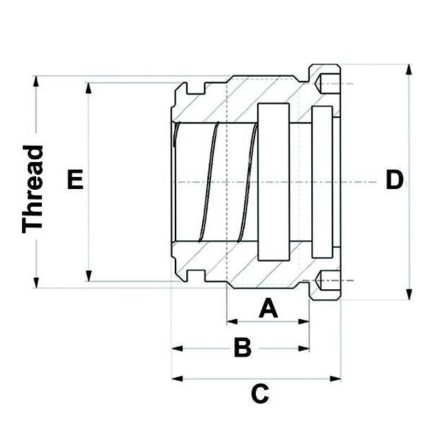
Bore (mm): 55

Rod (mm): 35

Thread: M59x1.5

A (mm): 20

B (mm): 35

C (mm): 43

D (mm): 65

E (mm): 55.5

Seal Kit: 0AS5535GC

You may also like

Recently viewed