Hydraulic Cylinder Replacement Head M44x1.5 - Rod 25mm

AMA IrelandSKU: 0GC4025

If you are an existing customer please login

Login

Description

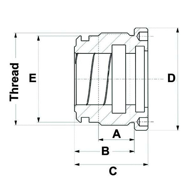
Bore (mm): 40

Rod (mm): 25

Thread: M44x1.5

A (mm): 17

B (mm): 32

C (mm): 40

D (mm): 50

E (mm): 40.5

Seal Kit: 0AS4025GC

You may also like

Recently viewed