Hydraulic Cylinder Replacement Head M39x1.5 - Rod 20mm

AMA IrelandSKU: 0GC3520

If you are an existing customer please login

Login

Description

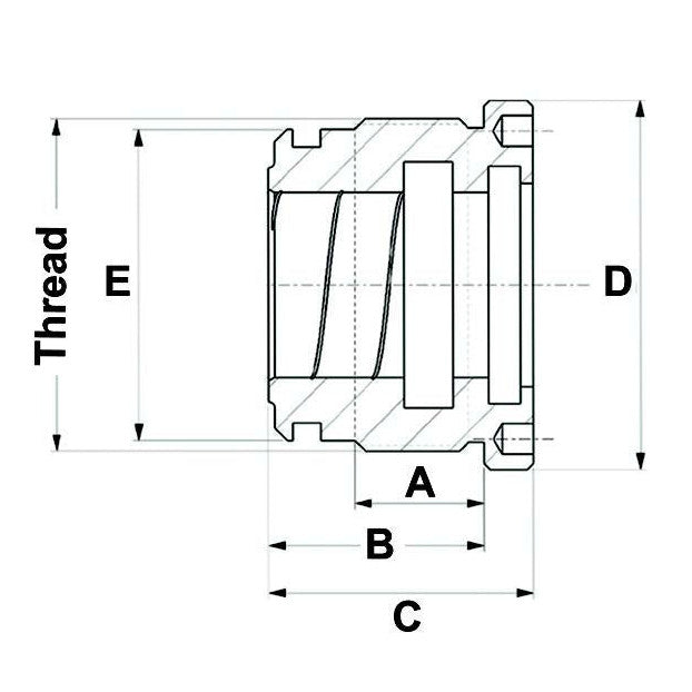
Bore (mm): 35

Rod (mm): 20

Thread: M39x1.5

A (mm): 18

B (mm): 32

C (mm): 40

D (mm): 45

E (mm): 35.5

Seal Kit: 0AS3520GC

You may also like

Recently viewed