Hydraulic Cylinder Replacement Head M125x2 - Rod 70mm

AMA IrelandSKU: 0GC1270

If you are an existing customer please login

Login

Description

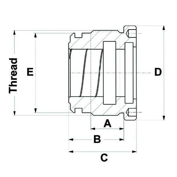
Bore (mm): 120

Rod (mm): 70

Thread: M125x2

A (mm): 42

B (mm): 70

C (mm): 82

D (mm): 140

E (mm): 120.5

Seal Kit: 0AS12070GC

You may also like

Recently viewed