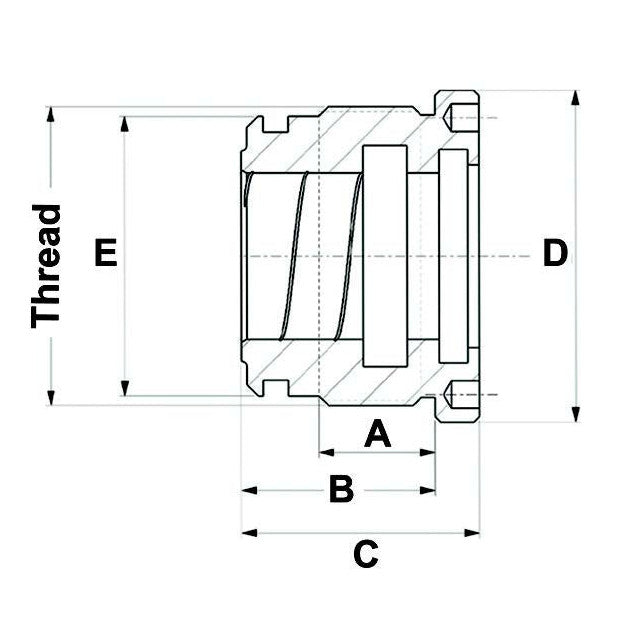
Hydraulic Cylinder Replacement Head M115x2 - Rod 60mm

AMA IrelandSKU: 0GC1160

If you are an existing customer please login

Login

Description

Bore (mm): 110

Rod (mm): 60

Thread: M115x2

A (mm): 42

B (mm): 70

C (mm): 82

D (mm): 125

E (mm): 110.5

Seal Kit: 0AS11060GC

You may also like

Recently viewed