Hydraulic Cylinder Replacement Head M105x2 - Rod 45mm

AMA IrelandSKU: 80776

If you are an existing customer please login

Login

Description

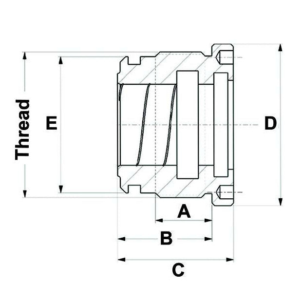
Bore (mm): 100

Rod (mm): 45

Thread: M105x2

A (mm): 51

B (mm): 70

C (mm): 82

D (mm): 115

E (mm): 100.5

Seal Kit: 0AS145GCA

You may also like

Recently viewed