Hydraulic Cylinder Replacement Head M105x2 - Rod 45mm

AMA IrelandSKU: 0GCA145

If you are an existing customer please login

Login

Description

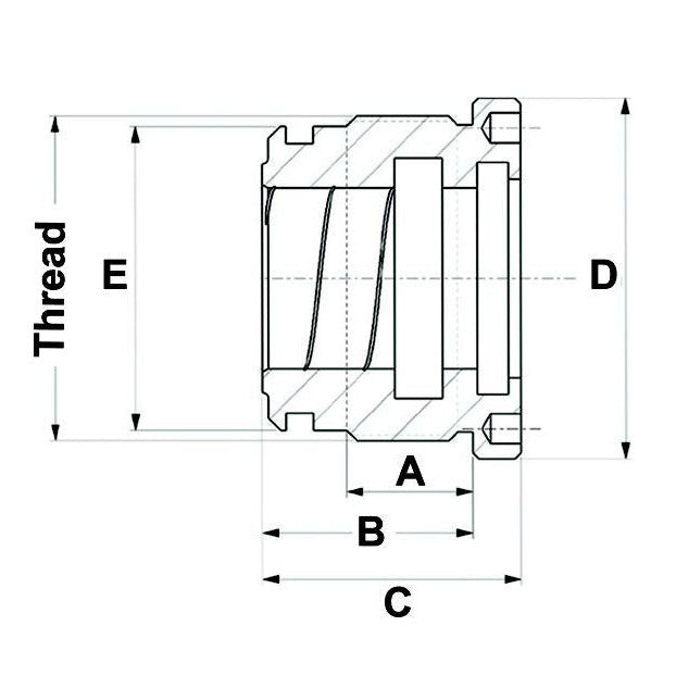
Bore (mm): 100

Rod (mm): 45

Thread: M105x2

A (mm): 32

B (mm): 50

C (mm): 62

D (mm): 115

E (mm): 100.5

Seal Kit: 0AS145GCA

You may also like

Recently viewed