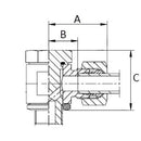
Swivel Coupling 18x1.5 - 12L

AMA IrelandSKU: 50116

If you are an existing customer please login

Login

Description

Ex Thread: 18x1.5

A (mm): 38

B (mm): 21.5

C (mm): 42 

Type: 12L

You may also like

Recently viewed