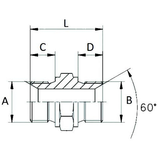
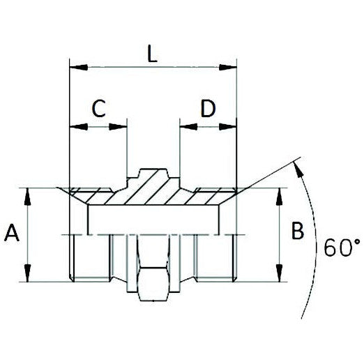
Adaptor BSP Unequal Male / Male 3/4" - 1"

AMA IrelandSKU: 04903

If you are an existing customer please login

Login

Description

A BSP: 3/4"

B BSP: 1"

C (mm): 16

D (mm): 19

L (mm): 51

You may also like

Recently viewed