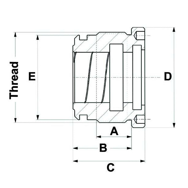
Hydraulic Cylinder Replacement Head M90x2 - Rod 35mm

AMA IrelandSKU: 0GC8535

If you are an existing customer please login

Login

Description

Bore (mm): 85

Rod (mm): 35

Thread: M90x2

A (mm): 30

B (mm): 50

C (mm): 60

D (mm): 100

E (mm): 85.5

Seal Kit: 0AS8535GC

You may also like

Recently viewed