Hydraulic Cylinder Replacement Head M80x1.5 - Rod 35mm

AMA IrelandSKU: 0GC7535

If you are an existing customer please login

Login

Description

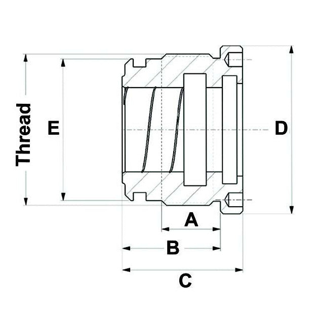
Bore (mm): 75

Rod (mm): 35

Thread: M80x1.5

A (mm): 30

B (mm): 50

C (mm): 60

D (mm): 85

E (mm): 75.5

Seal Kit: 0AS7035GC

You may also like

Recently viewed