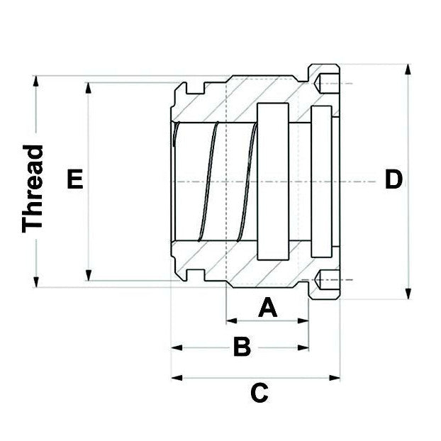
Hydraulic Cylinder Replacement Head M74x1.5 - Rod 35mm

AMA IrelandSKU: 0GC7035

If you are an existing customer please login

Login

Description

Bore (mm): 70

Rod (mm): 35

Thread: M74x1.5

A (mm): 25

B (mm): 40

C (mm): 50

D (mm): 80

E (mm): 70.5

Seal Kit: 0AS7035GC

You may also like

Recently viewed