Hydraulic Cylinder Replacement Head M54x1.5 - Rod 25mm

AMA IrelandSKU: 0GC5025

If you are an existing customer please login

Login

Description

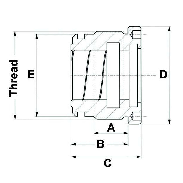
Bore (mm): 50

Rod (mm): 25

Thread: M54x1.5

A (mm): 22

B (mm): 35

C (mm): 43

D (mm): 60

E (mm): 50.5

Seal Kit: 0AS5025GC

You may also like

Recently viewed