Hydraulic Cylinder Replacement Head M49x1.5 - Rod 22mm

AMA IrelandSKU: 0GC4522

If you are an existing customer please login

Login

Description

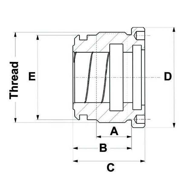
Bore (mm): 45

Rod (mm): 22

Thread: M49x1.5

A (mm): 18.5

B (mm): 32

C (mm): 40

D (mm): 55

E (mm): 45.5

Seal Kit: 0AS4522GC

You may also like

Recently viewed