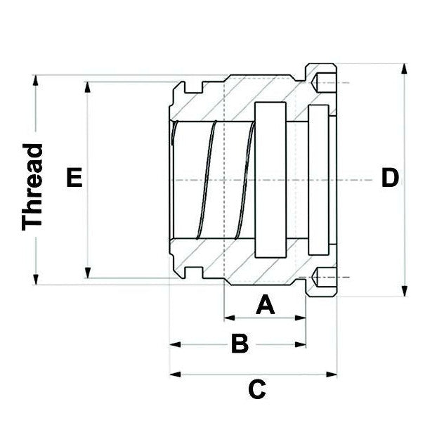
Hydraulic Cylinder Replacement Head M44x1.5 - Rod 16mm

AMA IrelandSKU: 0GC4016

If you are an existing customer please login

Login

Description

Bore (mm): 40

Rod (mm): 16

Thread: M44x1.5

A (mm): 18

B (mm): 32

C (mm): 40

D (mm): 50

E (mm): 40.5

Seal Kit: 0AS4016GC

You may also like

Recently viewed