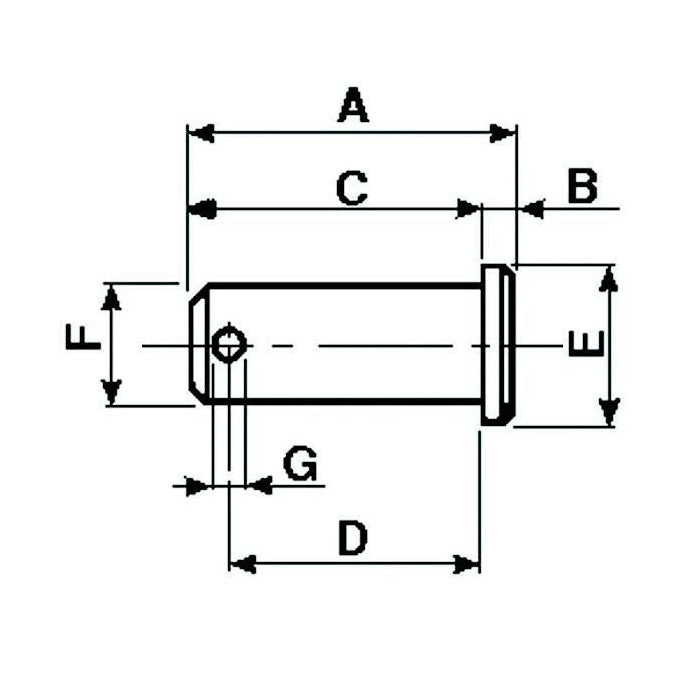
Clevis Pin With Hole - 22mm

AMA IrelandSKU: 04513

If you are an existing customer please login

Login

Description

A (mm): 22

B (mm): 2

C (mm): 20

D (mm): 17

E (mm): 12

F (mm): 8

G (mm): 2

You may also like

Recently viewed