Hydraulic Jack with Built in Safety Valve Square Profile - 635mm

AMA IrelandSKU: 11016

If you are an existing customer please login

Login

Description

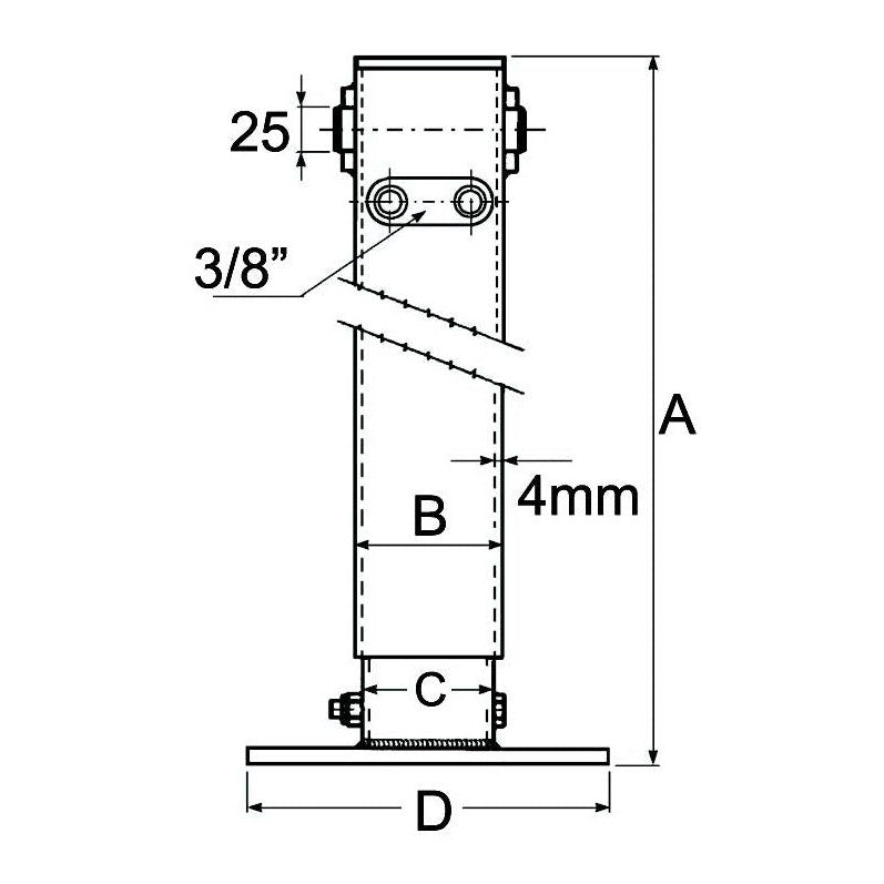
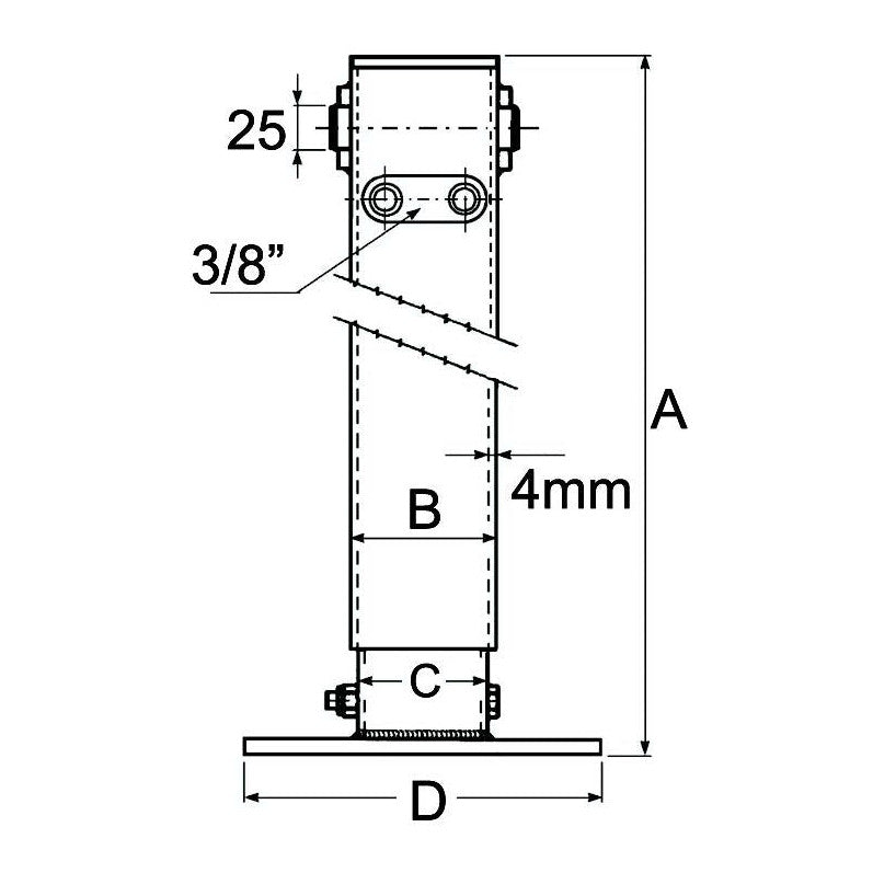
A (mm): 635

B (mm): 90

C (mm): 80

D (mm): 220

Ext. L (mm): 350

Vertical Load @ 150: 2945kg

You may also like

Recently viewed